全国统一服务电话:

13636672518

型号查询 X

全部类型

产品中心Products Center

SKF轴承,NSK轴承,NTN轴承,FAG轴承,EZO轴承,NMB轴承,TIMKEN轴承,ZWZ轴承,LYC轴承,HRB轴承

您的位置:首页 > 产品中心
 品牌筛选

FAG轴承 29380-E-MB

产品名称: FAG轴承 29380-E-MB
类型:推力调心滚子轴承 品牌:FAG轴承
型号:29380-E-MB 厚度(mm):132
内径d:400 外径D:620

上海海久轴承有限公司 咨询热线:13636672518

详细信息

FAG轴承 29380-E-MB 详细参数

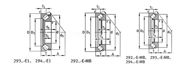
尺寸mm
  • d400
  • D620
  • T132
  • D 1 493
  • d 1 575
  • r min6
  • T 1 64
  • T 2 48
  • T 3 83
  • T 4 94
  • T 5 -
  • A225
安装尺寸mm
  • d a min500
  • D a max557
  • D b min634
  • d b max424
  • r a max5
基本额定载荷N
  • 动载荷 C a 4000000
  • 静载荷 C oa 16600000
型号
  • 型号29380-E-MB
质量m ≈kg
  • 质量m ≈kg137
疲劳极限载荷 C ua N
  • 疲劳极限载荷 C ua N880000
极限转速 n G min –1
  • 极限转速 n G min –1 850
参考转速 n B min –1
  • 参考转速 n B min –1 510

上海海久轴承有限公司专业销售: FAG轴承 29380-E-MB, 29380-E-MB 推力调心滚子轴承产品相关信息有: 型号:29380-E-MB , 内径:400mm ,  外径:620mm ,  厚度:132mm ,  品牌:FAG轴承,  类型:推力调心滚子轴承, 需要更多的了解 FAG轴承 29380-E-MB 推力调心滚子轴承的相关信息,可以进行在线咨询或者拨打热线电话 ,我们会详细为您服务。
FAG轴承 29380-E-MB 推力调心滚子轴承使用范围很广, FAG轴承 29380-E-MB 推力调心滚子轴承主要应用于传输装置、工程机械、振动筛、机床、汽 车、冶金、矿山、石油、机械、电力、电机、风机、铁路等行业,本公司销售的 FAG轴承 29380-E-MB 推力调心滚子轴承价格合理,保证质量,全方面的服务,尽一切满足客户的需求。
联系方式 / CONTACT US

地址:

江苏 苏州市 中华园西路 1886号

手机:

13636672518

Q Q:

3027602224

电话:

013636672518

邮箱:

3027602224@qq.com