详细信息

SKF轴承 MS31/950 详细参数
尺寸 |
|
---|
型号 |
|
---|
质量 |
|
---|
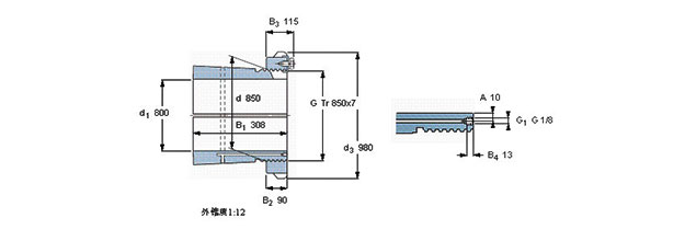
上海海久轴承有限公司专业销售: SKF轴承 MS31/950, MS31/950 紧定套产品相关信息有: 型号:MS31/950 , 内径:950mm , 外径:mm , 厚度:mm , 品牌:SKF轴承, 类型:紧定套, 需要更多的了解 SKF轴承 MS31/950 紧定套的相关信息,可以进行在线咨询或者拨打热线电话 ,我们会详细为您服务。
SKF轴承 MS31/950 紧定套使用范围很广, SKF轴承 MS31/950 紧定套主要应用于传输装置、工程机械、振动筛、机床、汽 车、冶金、矿山、石油、机械、电力、电机、风机、铁路等行业,本公司销售的 SKF轴承 MS31/950 紧定套价格合理,保证质量,全方面的服务,尽一切满足客户的需求。