详细信息

HRB轴承 UK205 H2305 详细参数
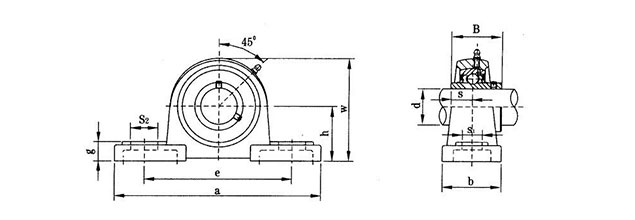
轴径 Shaft Dia. |
|
---|
尺寸 Dimensions(mm)(inch) |
|
---|
额定载荷 (KN) |
|
---|
轴承型号 |
|
---|
重量Weight (kg) (lb) |
|
---|
上海海久轴承有限公司专业销售: HRB轴承 UK205 H2305, UK205 H2305 带座外球面轴承产品相关信息有: 型号:UK205 H2305 , 内径:mm , 外径:mm , 厚度:mm , 品牌:HRB轴承, 类型:带座外球面轴承, 需要更多的了解 HRB轴承 UK205 H2305 带座外球面轴承的相关信息,可以进行在线咨询或者拨打热线电话 ,我们会详细为您服务。
HRB轴承 UK205 H2305 带座外球面轴承使用范围很广, HRB轴承 UK205 H2305 带座外球面轴承主要应用于传输装置、工程机械、振动筛、机床、汽 车、冶金、矿山、石油、机械、电力、电机、风机、铁路等行业,本公司销售的 HRB轴承 UK205 H2305 带座外球面轴承价格合理,保证质量,全方面的服务,尽一切满足客户的需求。